留言板

尊敬的读者、作者、审稿人, 关于本刊的投稿、审稿、编辑和出版的任何问题, 您可以本页添加留言。我们将尽快给您答复。谢谢您的支持!

姓名
邮箱
手机号码
标题
留言内容
验证码

一种钻井液动态黏滞性能评价方法

温璐 吉帅志 魏玲艳 张俊颖 张杰 耿智强

温璐,吉帅志,魏玲艳,等. 一种钻井液动态黏滞性能评价方法[J]. 钻井液与完井液,2025,42(5):640-645 doi: 10.12358/j.issn.1001-5620.2025.05.010
引用本文: 温璐,吉帅志,魏玲艳,等. 一种钻井液动态黏滞性能评价方法[J]. 钻井液与完井液,2025,42(5):640-645 doi: 10.12358/j.issn.1001-5620.2025.05.010
WEN Lu, JI Shuaizhi, WEI Lingyan, et al.A method of evaluating drilling fluid’s dynamic adhesiveness[J]. Drilling Fluid & Completion Fluid,2025, 42(5):640-645 doi: 10.12358/j.issn.1001-5620.2025.05.010
Citation: WEN Lu, JI Shuaizhi, WEI Lingyan, et al.A method of evaluating drilling fluid’s dynamic adhesiveness[J]. Drilling Fluid & Completion Fluid,2025, 42(5):640-645 doi: 10.12358/j.issn.1001-5620.2025.05.010

一种钻井液动态黏滞性能评价方法

doi: 10.12358/j.issn.1001-5620.2025.05.010
详细信息
    作者简介:

    温璐,1995年生,助理工程师,主要从事油田化学剂的质量检验与评价工作。电话18391869676; E-mail:1426400397@qq.com

  • 中图分类号: TE254.4

A Method of Evaluating Drilling Fluid’s Dynamic Adhesiveness

  • 摘要: 大部分传统钻井液润滑测试仪只考虑金属界面的相互作用,忽略了钻具与钻井液、钻井液泥饼、井壁间黏滞力对润滑效果的影响,导致润滑剂的润滑性能评价结果与现场实际表现不一致。通过模拟钻井中钻具与井壁、钻具与钻井液及泥饼间的相互作用,设计了一套钻井液动态黏滞性能测试仪。实验结果表明,钻井液动态黏滞性能测试仪操作简单,可评价不同压力、转速条件下的扭矩变化,评价结果准确、重复性高,能有效预防井下卡钻事故的发生。

     

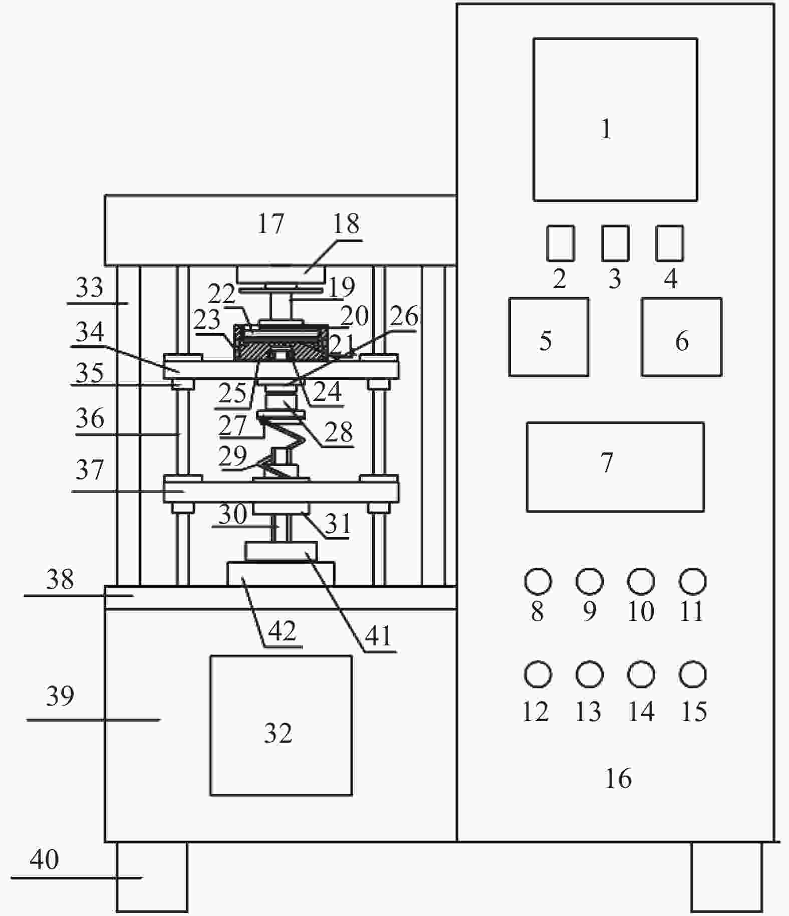
  • 图  1  钻井液动态黏滞性能测试仪结构

    1-记录仪、2-旋转开关、3-制动开关、4-直线开关、5-旋转控制器、6-直线控制器、7-压力控制器、8-转速1、9-转速2、10-转速3、11-旋转停止、12-直线开启、13-上升开关、14-下降开关、15-直线停止、16-控制面板、17-防护罩、18-扭矩传感器、19-旋转轴、20-旋转摩擦盘、21-沙盘、22-泥饼、23-密封圈、24-球面轴承、25-底座、26-压力传感器连接处、27-压力传感器与弹簧连接处、28-压力传感器、29-弹簧、30-升降螺杆、31-升降螺母、32-风机、33-固定轴(4根)、34-上固定板、35-直线轴承4个、36-滑杆、37-下固定板、38-台面、39-风机面板、40-橡胶脚、41-螺杆、步进电机连接器、42-步进电机

    图  2  底座与上固定板的结构示意图

    24-球面轴承、25-底座、42-步进电机、43-螺钉孔、44-固定销孔、45-轴承位、46-固定轴、47-定位销

    图  3  不同压力和转速对聚合物氯化钾体系扭矩值的影响

    图  4  CX300在清水中的润滑效果评价

    图  5  CX300在膨润土浆中的润滑效果评价

    图  6  CX300在钻井液中的润滑效果评价

    图  7  泥饼的黏滞力评价

    图  8  仪器的重复性能评价

    表  1  钻井液黏滞性能测试仪主要技术指标

    序号名称技术参数
    1最大工作压力147 N(15 kgf)
    2最大转速1000 r/min
    3测量分辨率0.1 N·m
    4综合测量误差<1.5‰
    5沙盘直径6.3 cm
    6沙盘厚度0.635 cm
    7有效沙盘直径4.5 cm
    下载: 导出CSV

    表  2  3%CX300润滑剂在聚合物水基钻井液中的润滑性能

    聚合物体系 扭矩 润滑系数降低率/%
    空白 21.0/19.5/14.0/17.0
    3%CX300 8/13/9/10 59.85/30.35/36.84/43.62
    下载: 导出CSV
  • [1] 刘仕银, 成增寿, 叶道平, 等. 不混油低摩阻钻井液在塔河托甫台区块的现场试验[J]. 西部探矿工程, 2018, 30(11): 63-65,68. doi: 10.3969/j.issn.1004-5716.2018.11.021

    LIU Shiyin, CHENG Zengshou, YE Daoping, et al. Field test of non-oil-mixing low-friction drilling fluid in the Tahe Tuofutai block[J]. West-China Exploration Engineering, 2018, 30(11): 63-65,68. doi: 10.3969/j.issn.1004-5716.2018.11.021
    [2] 常喜顺, 张金成. 陕北油田定向井卡钻原因分析及处理对策[J]. 西部探矿工程, 2007(1): 66-68. doi: 10.3969/j.issn.1004-5716.2007.01.027

    CHANG Xishun, ZHANG Jincheng. Analysis of sticking causes and treatment strategies in directional wells of northern Shaanxi oilfield[J]. West-China Exploration Engineering, 2007(1): 66-68. doi: 10.3969/j.issn.1004-5716.2007.01.027
    [3] 邓兴强. 深层水平井钻井液技术难点及设计方案研究[J]. 西部探矿工程, 2019, 31(6): 85-86. doi: 10.3969/j.issn.1004-5716.2019.06.031

    DENG Xingqiang. Research on technical difficulties and design schemes of deep horizontal well drilling fluids[J]. West-China Exploration Engineering, 2019, 31(6): 85-86. doi: 10.3969/j.issn.1004-5716.2019.06.031
    [4] XU Y D. Analysis of drag mechanism and discussion of countermeasures in directional drilling[J]. China New Technologies and Products, 2017(19): 51-52.
    [5] YANG Y C. Research on stress analysis and control technology of casing in horizontal wells[D]. Beijing: China University of Petroleum(Beijing), 2018.
    [6] 周风山, 蒲春生, 倪文学. LEM-Ⅱ钻井液润滑仪合理使用方法的研究[J]. 西安石油学院学报(自然科学版), 1998(6): 21-24.

    ZHOU Fengshan, PU Chunsheng, NI Wenxue. Study on the rational use method of LEM-Ⅱ drilling fluid lubricity tester[J]. Journal of Xi'an Petroleum Institute(Natural Science Edition), 1998(6): 21-24.
    [7] JI W Y. Research on intelligent identification methods and optimization of handling procedures for sticking accidents during drilling[D]. Beijing: China University of Petroleum(Beijing), 2019.
    [8] YE Q, JIA X J. Causes and treatment methods of differential pressure sticking accidents in directional drilling[J]. China Well and Rock Salt, 2010, 41(4): 20-22.
    [9] 许明标, 由福昌, 吴娇. 一种模拟井下钻井液泥饼动态摩阻的测试装置: CN208000264U[P]. 2018-03-14.

    XU Mingbiao, YOU Fuchang, WU Jiao. A testing device for simulating dynamic friction of drilling fluid mud cake downhole: CN208000264U[P]. 2018-03-14.
    [10] 吕聪. 钻井液黏滞力作用下大位移井附加摩阻扭矩计算分析[J]. 石化技术, 2019, 26(8): 54-56. doi: 10.3969/j.issn.1006-0235.2019.08.035

    LYU Cong. Calculation and analysis of additional drag and torque in extended-reach wells under the action of drilling fluid viscous force[J]. Petrochemical Industry Technology, 2019, 26(8): 54-56. doi: 10.3969/j.issn.1006-0235.2019.08.035
    [11] 王小利, 李晓明. 大位移深定向探井钻进技术在永斜927井的应用[J]. 西部探矿工程, 2007(1): 77-78. doi: 10.3969/j.issn.1004-5716.2007.01.031

    WANG Xiaoli, LI Xiaoming. Application of drilling technology for extended-reach deep directional exploration well in Yongxie 927 well[J]. West-China Exploration Engineering, 2007(1): 77-78. doi: 10.3969/j.issn.1004-5716.2007.01.031
    [12] 赵虎. 钻井液润滑性评价方法对比研究[J]. 石油工业技术监督, 2021, 37(4): 24-27. doi: 10.3969/j.issn.1004-1346.2021.04.008

    ZHAO Hu. Comparative study on evaluation methods of drilling fluid lubricity[J]. Technology Supervision in Petroleum Industry, 2021, 37(4): 24-27. doi: 10.3969/j.issn.1004-1346.2021.04.008
  • 加载中
图(8) / 表(2)
计量
  • 文章访问数:  295
  • HTML全文浏览量:  147
  • PDF下载量:  27
  • 被引次数: 0
出版历程
  • 收稿日期:  2025-04-18
  • 修回日期:  2025-05-17
  • 刊出日期:  2025-09-30

目录

    /

    返回文章
    返回

    尊敬的作者、读者:

    您好!

    为更好地服务于广大作者和读者,提升期刊编辑部的办公效率和服务质量,本刊编辑部办公地点及联系电话已进行变更。

    新办公地址:天津经济技术开发区第二大街83号中国石油天津大厦A517房间

    新联系电话:022-65278734

                         022-25275527

    我们衷心希望广大作者和读者能够继续支持我们的工作,共同推动期刊的发展和进步。

    再次感谢您对期刊的关注和支持!